Login required to View Regulations

Sign In or Register Now.  Registration is fast and free!

 
§1926.57 — Ventilation
 
(a)
General. Whenever hazardous substances such as dusts, fumes, mists, vapors, or gases exist or are produced in the course of construction work, their concentrations shall not exceed the limits specified in §1926.55(a). When ventilation is used as an engineering control method, the system shall be installed and operated according to the requirements of this section.
 
(b)
Local exhaust ventilation. Local exhaust ventilation when used as described in (a) shall be designed to prevent dispersion into the air of dusts, fumes, mists, vapors, and gases in concentrations causing harmful exposure. Such exhaust systems shall be so designed that dusts, fumes, mists, vapors, or gases are not drawn through the work area of employees.
 
(c)
Design and operation. Exhaust fans, jets, ducts, hoods, separators, and all necessary appurtenances, including refuse receptacles, shall be so designed, constructed, maintained and operated as to ensure the required protection by maintaining a volume and velocity of exhaust air sufficient to gather dusts, fumes, vapors, or gases from said equipment or process, and to convey them to suitable points of safe disposal, thereby preventing their dispersion in harmful quantities into the atmosphere where employees work.
 
(d)
Duration of operations.
 
(1)
The exhaust system shall be in operation continually during all operations which it is designed to serve. If the employee remains in the contaminated zone, the system shall continue to operate after the cessation of said operations, the length of time to depend upon the individual circumstances and effectiveness of the general ventilation system.
 
(2)
Since dust capable of causing disability is, according to the best medical opinion, of microscopic size, tending to remain for hours in suspension in still air, it is essential that the exhaust system be continued in operation for a time after the work process or equipment served by the same shall have ceased, in order to ensure the removal of the harmful elements to the required extent. For the same reason, employees wearing respiratory equipment should not remove same immediately until the atmosphere seems clear.
 
(e)
Disposal of exhaust materials. The air outlet from every dust separator, and the dusts, fumes, mists, vapors, or gases collected by an exhaust or ventilating system shall discharge to the outside atmosphere. Collecting systems which return air to work area may be used if concentrations which accumulate in the work area air do not result in harmful exposure to employees. Dust and refuse discharged from an exhaust system shall be disposed of in such a manner that it will not result in harmful exposure to employees.
 
(f)
Abrasive blasting
 
(1)
Definitions applicable to this paragraph
 
(i)
Abrasive. A solid substance used in an abrasive blasting operation.
 
(ii)
Abrasive-blasting respirator. A respirator constructed so that it covers the wearer's head, neck, and shoulders to protect the wearer from rebounding abrasive.
 
(iii)
Blast cleaning barrel. A complete enclosure which rotates on an axis, or which has an internal moving tread to tumble the parts, in order to expose various surfaces of the parts to the action of an automatic blast spray.
 
(iv)
Blast cleaning room. A complete enclosure in which blasting operations are performed and where the operator works inside of the room to operate the blasting nozzle and direct the flow of the abrasive material.
 
(v)
Blasting cabinet. An enclosure where the operator stands outside and operates the blasting nozzle through an opening or openings in the enclosure.
 
(vi)
Clean air. Air of such purity that it will not cause harm or discomfort to an individual if it is inhaled for extended periods of time.
 
(vii)
Dust collector. A device or combination of devices for separating dust from the air handled by an exhaust ventilation system.
 
(viii)
Exhaust ventilation system. A system for removing contaminated air from a space, comprising two or more of the following elements
 
[A]
enclosure or hood,
 
[B]
duct work,
 
[C]
dust collecting equipment,
 
[D]
exhauster, and
 
[E]
discharge stack.
 
(ix)
Particulate-filter respirator. An air purifying respirator, commonly referred to as a dust or a fume respirator, which removes most of the dust or fume from the air passing through the device.
 
(x)
Respirable dust. Airborne dust in sizes capable of passing through the upper respiratory system to reach the lower lung passages.
 
(xi)
Rotary blast cleaning table. An enclosure where the pieces to be cleaned are positioned on a rotating table and are passed automatically through a series of blast sprays.
 
(xii)
Abrasive blasting. The forcible application of an abrasive to a surface by pneumatic pressure, hydraulic pressure, or centrifugal force.
 
(2)
Dust hazards from abrasive blasting.
 
(i)
Abrasives and the surface coatings on the materials blasted are shattered and pulverized during blasting operations and the dust formed will contain particles of respirable size. The composition and toxicity of the dust from these sources shall be considered in making an evaluation of the potential health hazards.
 
(ii)
The concentration of respirable dust or fume in the breathing zone of the abrasive-blasting operator or any other worker shall be kept below the levels specified in §1926.55 or other pertinent sections of this part.
 
(iii)
Organic abrasives which are combustible shall be used only in automatic systems. Where flammable or explosive dust mixtures may be present, the construction of the equipment, including the exhaust system and all electric wiring, shall conform to the requirements of American National Standard Installation of Blower and Exhaust Systems for Dust, Stock, and Vapor Removal or Conveying, Z33.1-1961 (NFPA 91-1961), and subpart S of this part. The blast nozzle shall be bonded and grounded to prevent the build up of static charges. Where flammable or explosive dust mixtures may be present, the abrasive blasting enclosure, the ducts, and the dust collector shall be constructed with loose panels or explosion venting areas, located on sides away from any occupied area, to provide for pressure relief in case of explosion, following the principles set forth in the National Fire Protection Association Explosion Venting Guide. NFPA 68-1954.
 
(3)
Blast-cleaning enclosures.
 
(i)
Blast-cleaning enclosures shall be exhaust ventilated in such a way that a continuous inward flow of air will be maintained at all openings in the enclosure during the blasting operation.
 
[A]
All air inlets and access openings shall be baffled or so arranged that by the combination of inward air flow and baffling the escape of abrasive or dust particles into an adjacent work area will be minimized and visible spurts of dust will not be observed.
 
[B]
The rate of exhaust shall be sufficient to provide prompt clearance of the dust-laden air within the enclosure after the cessation of blasting.
 
[C]
Before the enclosure is opened, the blast shall be turned off and the exhaust system shall be run for a sufficient period of time to remove the dusty air within the enclosure.
 
[D]
Safety glass protected by screening shall be used in observation windows, where hard deep-cutting abrasives are used.
 
[E]
Slit abrasive-resistant baffles shall be installed in multiple sets at all small access openings where dust might escape, and shall be inspected regularly and replaced when needed.
 
[1]
Doors shall be flanged and tight when closed.
 
[2]
Doors on blast-cleaning rooms shall be operable from both inside and outside, except that where there is a small operator access door, the large work access door may be closed or opened from the outside only.
 
(4)
Exhaust ventilation systems.
 
(i)
The construction, installation, inspection, and maintenance of exhaust systems shall conform to the principles and requirements set forth in American National Standard Fundamentals Governing the Design and Operation of Local Exhaust Systems, Z9.2-1960, and ANSI Z33.1-1961.
 
[a]
When dust leaks are noted, repairs shall be made as soon as possible.
 
[b]
The static pressure drop at the exhaust ducts leading from the equipment shall be checked when the installation is completed and periodically thereafter to assure continued satisfactory operation. Whenever an appreciable change in the pressure drop indicates a partial blockage, the system shall be cleaned and returned to normal operating condition.
 
(ii)
In installations where the abrasive is recirculated, the exhaust ventilation system for the blasting enclosure shall not be relied upon for the removal of fines from the spent abrasive instead of an abrasive separator. An abrasive separator shall be provided for the purpose.
 
(iii)
The air exhausted from blast-cleaning equipment shall be discharged through dust collecting equipment. Dust collectors shall be set up so that the accumulated dust can be emptied and removed without contaminating other working areas.
 
(5)
Personal protective equipment.
 
(i)
Employers must use only respirators approved by NIOSH under 42 CFR part 84 for protecting employees from dusts produced during abrasive-blasting operations.
 
(ii)
Abrasive-blasting respirators shall be worn by all abrasive- blasting operators:
 
[A]
When working inside of blast-cleaning rooms, or
 
[B]
When using silica sand in manual blasting operations where the nozzle and blast are not physically separated from the operator in an exhaust ventilated enclosure, or
 
[C]
Where concentrations of toxic dust dispersed by the abrasive blasting may exceed the limits set in §1926.55 or other pertinent sections of this part and the nozzle and blast are not physically separated from the operator in an exhaust-ventilated enclosure.
 
(iii)
Properly fitted particulate-filter respirators, commonly referred to as dust-filter respirators, may be used for short, intermittent, or occasional dust exposures such as cleanup, dumping of dust collectors, or unloading shipments of sand at a receiving point when it is not feasible to control the dust by enclosure, exhaust ventilation, or other means. The respirators used must be approved by NIOSH under 42 CFR part 84 for protection against the specific type of dust encountered.
 
(iv)
A respiratory protection program as defined and described in §1926.103, shall be established wherever it is necessary to use respiratory protective equipment.
 
(v)
Operators shall be equipped with heavy canvas or leather gloves and aprons or equivalent protection to protect them from the impact of abrasives. Safety shoes shall be worn to protect against foot injury where heavy pieces of work are handled.
 
[A]
Safety shoes shall conform to the requirements of American National Standard for Men's Safety-Toe Footwear, Z41.1-1967.
 
[B]
Equipment for protection of the eyes and face shall be supplied to the operator when the respirator design does not provide such protection and to any other personnel working in the vicinity of abrasive blasting operations. This equipment shall conform to the requirements of §1926.102.
 
(6)
Air supply and air compressors. Air for abrasive-blasting respirators must be free of harmful quantities of dusts, mists, or noxious gases, and must meet the requirements for supplied-air quality and use specified in 29 CFR 1910.134(i).
 
(7)
Operational procedures and general safety. Dust shall not be permitted to accumulate on the floor or on ledges outside of an abrasive-blasting enclosure, and dust spills shall be cleaned up promptly. Aisles and walkways shall be kept clear of steel shot or similar abrasive which may create a slipping hazard.
 
(8)
Scope. This paragraph applies to all operations where an abrasive is forcibly applied to a surface by pneumatic or hydraulic pressure, or by centrifugal force. It does not apply to steam blasting, or steam cleaning, or hydraulic cleaning methods where work is done without the aid of abrasives.
 
(g)
Grinding, polishing, and buffing operations
 
(1)
Definitions applicable to this paragraph —
 
(i)
Abrasive cutting-off wheels. Organic-bonded wheels, the thickness of which is not more than one forty-eighth of their diameter for those up to, and including, 20 inches (50.8 cm) in diameter, and not more than one-sixtieth of their diameter for those larger than 20 inches (50.8 cm) in diameter, used for a multitude of operations variously known as cutting, cutting off, grooving, slotting, coping, and jointing, and the like. The wheels may be "solid" consisting of organic-bonded abrasive material throughout, "steel centered" consisting of a steel disc with a rim of organic-bonded material moulded around the periphery, or of the "inserted tooth" type consisting of a steel disc with organic-bonded abrasive teeth or inserts mechanically secured around the periphery.
 
(ii)
Belts. All power-driven, flexible, coated bands used for grinding, polishing, or buffing purposes.
 
(iii)
Branch pipe. The part of an exhaust system piping that is connected directly to the hood or enclosure.
 
(iv)
Cradle. A movable fixture, upon which the part to be ground or polished is placed.
 
(v)
Disc wheels. All power-driven rotatable discs faced with abrasive materials, artificial or natural, and used for grinding or polishing on the side of the assembled disc.
 
(vi)
Entry loss. The loss in static pressure caused by air flowing into a duct or hood. It is usually expressed in inches of water gauge.
 
(vii)
Exhaust system. A system consisting of branch pipes connected to hoods or enclosures, one or more header pipes, an exhaust fan, means for separating solid contaminants from the air flowing in the system, and a discharge stack to outside.
 
(viii)
Grinding wheels. All power-driven rotatable grinding or abrasive wheels, except disc wheels as defined in this standard, consisting of abrasive particles held together by artificial or natural bonds and used for peripheral grinding.
 
(ix)
Header pipe (main pipe). A pipe into which one or more branch pipes enter and which connects such branch pipes to the remainder of the exhaust system.
 
(x)
Hoods and enclosures. The partial or complete enclosure around the wheel or disc through which air enters an exhaust system during operation.
 
(xi)
Horizontal double-spindle disc grinder. A grinding machine carrying two power-driven, rotatable, coaxial, horizontal spindles upon the inside ends of which are mounted abrasive disc wheels used for grinding two surfaces simultaneously.
 
(xii)
Horizontal single-spindle disc grinder. A grinding machine carrying an abrasive disc wheel upon one or both ends of a power-driven, rotatable single horizontal spindle.
 
(xiii)
Polishing and buffing wheels. All power-driven rotatable wheels composed all or in part of textile fabrics, wood, felt, leather, paper, and may be coated with abrasives on the periphery of the wheel for purposes of polishing, buffing, and light grinding.
 
(xiv)
Portable grinder. Any power-driven rotatable grinding, polishing, or buffing wheel mounted in such manner that it may be manually manipulated.
 
(xv)
Scratch brush wheels. All power-driven rotatable wheels made from wire or bristles, and used for scratch cleaning and brushing purposes.
 
(xvi)
Swing-frame grinder. Any power-driven rotatable grinding, polishing, or buffing wheel mounted in such a manner that the wheel with its supporting framework can be manipulated over stationary objects.
 
(xvii)
Velocity pressure (vp). The kinetic pressure in the direction of flow necessary to cause a fluid at rest to flow at a given velocity. It is usually expressed in inches of water gauge.
 
(xviii)
Vertical spindle disc grinder. A grinding machine having a vertical, rotatable power-driven spindle carrying a horizontal abrasive disc wheel.
 
(2)
Application. Wherever dry grinding, dry polishing or buffing is performed, and employee exposure, without regard to the use of respirators, exceeds the permissible exposure limits prescribed in §1926.55 or other pertinent sections of this part, a local exhaust ventilation system shall be provided and used to maintain employee exposures within the prescribed limits.
 
(3)
Hood and branch pipe requirements.
 
(i)
Hoods connected to exhaust systems shall be used, and such hoods shall be designed, located, and placed so that the dust or dirt particles shall fall or be projected into the hoods in the direction of the air flow. No wheels, discs, straps, or belts shall be operated in such manner and in such direction as to cause the dust and dirt particles to be thrown into the operator's breathing zone.
 
(ii)
Grinding wheels on floor stands, pedestals, benches, and special-purpose grinding machines and abrasive cutting-off wheels shall have not less than the minimum exhaust volumes shown in Table D-57.1 with a recommended minimum duct velocity of 4,500 feet per minute in the branch and 3,500 feet per minute in the main. The entry losses from all hoods except the vertical-spindle disc grinder hood, shall equal 0.65 velocity pressure for a straight takeoff and 0.45 velocity pressure for a tapered takeoff. The entry loss for the vertical-spindle disc grinder hood is shown in figure D-57.1 (following paragraph (g) of this section).

Table D-57.1 — Grinding and Abrasive Cutting-Off Wheels

Wheel diameter, inches (cm)Wheel width, inches (cm)Minimum exhaust volume (feet³/min.)
To 9 (22.86)1½ (3.81)220
Over 9 to 16 (22.86 to 40.64)2 (5.08)390
Over 16 to 19 (40.64 to 48.26)3 (7.62)500
Over 19 to 24 (48.26 to 60.96)4 (10.16)610
Over 24 to 30 (60.96 to 76.2)5 (12.7)880
Over 30 to 36 (76.2 to 91.44)6 (15.24)1,200

For any wheel wider than wheel diameters shown in Table D-57.1, increase the exhaust volume by the ratio of the new width to the width shown.

Example: If wheel width = 4½ inches (11.43 cm), then

4.5 ÷ 4 × 610 = 686 (rounded to 690).

 
(iii)
Scratch-brush wheels and all buffing and polishing wheels mounted on floor stands, pedestals, benches, or special-purpose machines shall have not less than the minimum exhaust volume shown in Table D- 57.2.

Table D-57.2 — Buffing and Polishing Wheels

Wheel diameter, inches (cm)Wheel width,
inches (cm)
Minimum exhaust volume (feet³/min.)
To 9 (22.86)2 (5.08)300
Over 9 to 16 (22.86 to 40.64)3 (7.62)500
Over 16 to 19 (40.64 to 48.26)4 (10.16)610
Over 19 to 24 (48.26 to 60.96)5 (12.7)740
Over 24 to 30 (60.96 to 76.2)6 (15.24)1,040
Over 30 to 36 (76.2 to 91.44)6 (15.24)1,200
 
(iv)
Grinding wheels or discs for horizontal single-spindle disc grinders shall be hooded to collect the dust or dirt generated by the grinding operation and the hoods shall be connected to branch pipes having exhaust volumes as shown in Table D-57.3.

Table D-57.3 — Horizontal Single-Spindle Disc Grinder

Disc diameter, inches (cm)Exhaust volume (ft.³/min.)
Up to 12 (30.48)220
Over 12 to 19 (30.48 to 48.26)390
Over 19 to 30 (48.26 to 76.2)610
Over 30 to 36 (76.2 to 91.44)880
 
(v)
Grinding wheels or discs for horizontal double-spindle disc grinders shall have a hood enclosing the grinding chamber and the hood shall be connected to one or more branch pipes having exhaust volumes as shown in Table D-57.4.

Table D-57.4 — Horizontal Double-Spindle Disc Grinder

Disc diameter, inches (cm)Exhaust volume (ft.³/min.)
Up to 19 (48.26)610
Over 19 to 25 (48.26 to 63.5)880
Over 25 to 30 (63.5 to 76.2)1,200
Over 30 to 53 (76.2 to 134.62)1,770
Over 53 to 72 (134.62 to 182.88)6,280
 
(vi)
Grinding wheels or discs for vertical single-spindle disc grinders shall be encircled with hoods to remove the dust generated in the operation. The hoods shall be connected to one or more branch pipes having exhaust volumes as shown in Table D-57.5.

Table D-57.5 — Vertical Spindle Disc Grinder

Disc diameter, inches (cm)One-half or more of disc coveredDisc not covered
Number¹Exhaust
foot³/min.
Number¹Exhaust
foot³/min.
Up to 20 (50.8)15002780
Over 20 to 30 (50.8 to 76.2)278021,480
Over 30 to 53 (76.2 to 134.62)21,77043,530
Over 53 to 72 (134.62 to 182.88)23,14056,010

¹Number of exhaust outlets around periphery of hood, or equal distribution provided by other means.

 
(vii)
Grinding and polishing belts shall be provided with hoods to remove dust and dirt generated in the operations and the hoods shall be connected to branch pipes having exhaust volumes as shown in Table D- 57.6.

Table D-57.6 — Grinding and Polishing Belts

Belts width, inches (cm)Exhaust volume (ft.³/min.)
Up to 3 (7.62)220
Over 3 to 5 (7.62 to 12.7)300
Over 5 to 7 (12.7 to 17.78)390
Over 7 to 9 (17.78 to 22.86)500
Over 9 to 11 (22.86 to 27.94)610
Over 11 to 13 (27.94 to 33.02)740
 
(viii)
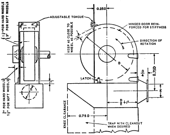
Cradles and swing-frame grinders. Where cradles are used for handling the parts to be ground, polished, or buffed, requiring large partial enclosures to house the complete operation, a minimum average air velocity of 150 feet per minute shall be maintained over the entire opening of the enclosure. Swing-frame grinders shall also be exhausted in the same manner as provided for cradles. (See fig. D-57.3)
 
(ix)
Where the work is outside the hood, air volumes must be increased as shown in American Standard Fundamentals Governing the Design and Operation of Local Exhaust Systems, Z9.2-1960 (section 4, exhaust hoods).
 
(4)
Exhaust systems.
 
(i)
Exhaust systems for grinding, polishing, and buffing operations should be designed in accordance with American Standard Fundamentals Governing the Design and Operation of Local Exhaust Systems, Z9.2-1960.
 
(ii)
Exhaust systems for grinding, polishing, and buffing operations shall be tested in the manner described in American Standard Fundamentals Governing the Design and Operation of Local Exhaust Systems, Z9.2-1960.
 
(iii)
All exhaust systems shall be provided with suitable dust collectors.
 
(5)
Hood and enclosure design.
 
(i)
 
[A]
It is the dual function of grinding and abrasive cutting-off wheel hoods to protect the operator from the hazards of bursting wheels as well as to provide a means for the removal of dust and dirt generated. All hoods shall be not less in structural strength than specified in the American National Standard Safety Code for the Use, Care, and Protection of Abrasive Wheels, B7.1-1970.
 
[B]
Due to the variety of work and types of grinding machines employed, it is necessary to develop hoods adaptable to the particular machine in question, and such hoods shall be located as close as possible to the operation.
 
(ii)
Exhaust hoods for floor stands, pedestals, and bench grinders shall be designed in accordance with figure D-57.2. The adjustable tongue shown in the figure shall be kept in working order and shall be adjusted within one-fourth inch (0.635 cm) of the wheel periphery at all times.
 
(iii)
Swing-frame grinders shall be provided with exhaust booths as indicated in figure D-57.3.
 
(iv)
Portable grinding operations, whenever the nature of the work permits, shall be conducted within a partial enclosure. The opening in the enclosure shall be no larger than is actually required in the operation and an average face air velocity of not less than 200 feet per minute shall be maintained.
 
(v)
Hoods for polishing and buffing and scratch-brush wheels shall be constructed to conform as closely to figure D-57.4 as the nature of the work will permit.
 
(vi)
Cradle grinding and polishing operations shall be performed within a partial enclosure similar to figure D-57.5. The operator shall be positioned outside the working face of the opening of the enclosure. The face opening of the enclosure should not be any greater in area than that actually required for the performance of the operation and the average air velocity into the working face of the enclosure shall not be less than 150 feet per minute.
 
(vii)
Hoods for horizontal single-spindle disc grinders shall be constructed to conform as closely as possible to the hood shown in figure D-57.6. It is essential that there be a space between the back of the wheel and the hood, and a space around the periphery of the wheel of at least 1 inch (2.54 cm) in order to permit the suction to act around the wheel periphery. The opening on the side of the disc shall be no larger than is required for the grinding operation, but must never be less than twice the area of the branch outlet.
 
(viii)
Horizontal double-spindle disc grinders shall have a hood encircling the wheels and grinding chamber similar to that illustrated in figure D-57.7. The openings for passing the work into the grinding chamber should be kept as small as possible, but must never be less than twice the area of the branch outlets.
 
(ix)
Vertical-spindle disc grinders shall be encircled with a hood so constructed that the heavy dust is drawn off a surface of the disc and the lighter dust exhausted through a continuous slot at the top of the hood as shown in figure D-57.1.
 
(x)
Grinding and polishing belt hoods shall be constructed as close to the operation as possible. The hood should extend almost to the belt, and 1-inch (2.54 cm) wide openings should be provided on either side. Figure D-57.8 shows a typical hood for a belt operation.
Figure D-57.1 — Vertical Spindle Disc Grinder Exhaust Hood and Branch Pipe Connections
Dia. D inches (cm)Exhaust EVolume Exhausted at 4,500 ft/min ft³/minNote
Min.Max.No PipesDia.
Over 20 (50.8)20 (50.8)14¼ (10.795)500When one-half or more of the disc can be hooded, use exhaust ducts as shown at the left.
30 (76.2)24 (10.16)780
Over 30 (76.2)72 (182.88)26 (15.24)1,770
Over 53 (134.62)72 (182.88)28 (20.32)3,140
20 (50.8)24 (10.16)780When no hood can be used over disc, use exhaust ducts as shown at left.
Over 20 (50.8)20 (50.8)24 (10.16)780
Over 30 (76.2)30 (76.2)25½ (13.97)1,480
Over 53 (134.62)53 (134.62)46 (15.24)3,530
72 (182.88) 57 (17.78)6,010

Entry loss=1.0 slot velocity pressure + 0.5 branch velocity pressure.

Minimum slot velocity=2,000 ft/min — ½-inch (1.27 cm) slot width.

Figure D-57.2 — Standard Grinder Hood
Wheel dimension, inches (centimeters)Exhaust outlet, inches
(centimeters) E
Volume of air at 4,500 ft/min
DiameterWidth, Max
Min= dMax= D
9 (22.86)1½ (3.81)3220
Over 9 (22.86)16 (40.64)2 (5.08)4390
Over 16 (40.64)19 (48.26)3 (7.62)500
Over 19 (48.26)24 (60.96)4 (10.16)5610
Over 24 (60.96)30 (76.2)5 (12.7)6880
Over 30 (76.2)36 (91.44)6 (15.24)71,200

Entry loss = 0.45 velocity pressure for tapered takeoff 0.65 velocity pressure for straight takeoff.

Figure D-57.3 — A Method of Applying an Exhaust Enclosure to Swing-Frame Grinders

Note: Baffle to reduce front opening as much as possible

Figure D — 57.4 Standard Buffing and Polishing Hood
Wheel dimension, inches (centimeters)Exhaust outlet, inches EVolume of air at 4,500 ft/min
DiameterWidth, Max
Min= dMax= D
9 (22.86)2 (5.08)3½ (3.81)300
Over 9 (22.86)16 (40.64)3 (5.08)4500
Over 16 (40.64)19 (48.26)4 (11.43)5610
Over 19 (48.26)24 (60.96)5 (12.7)740
Over 24 (60.96)30 (76.2)6 (15.24)1.040
Over 30 (76.2)36 (91.44)6 (15.24)71.200

Entry loss = 0.15 velocity pressure for tapered takeoff; 0.65 velocity pressure for straight takeoff.

Figure D-57.5 — Cradle Polishing or Grinding Enclosure

Entry loss = 0.45 velocity pressure for tapered takeoff

Figure D-57.6 — Horizontal Single-Spindle Disc Grinder Exhaust Hood and Branch Pipe Connections
Dia D, inches (centimeters)Exhaust E, dia. inches (cm)Volume exhausted at 4,500 ft/min ft³/min
Min.Max.
12 (30.48)3 (7.6)220
Over 12 (30.48)19 (48.26)4 (10.16)390
Over 19 (48.26)30 (76.2)5 (12.7)610
Over 30 (76.2)36 (91.44)6 (15.24)880

Note: If grinding wheels are used for disc grinding purposes, hoods must conform to structural strength and materials as described in 9.1.

Entry loss = 0.45 velocity pressure for tapered takeoff.

Figure D-57.7 — Horizontal Double-Spindle Disc Grinder Exhaust Hood and Branch Pipe Connections
Disc dia. inches (centimeters)Exhaust EVolume exhaust at 4,500 ft/min. ft³/minNote
Min.Max.No PipesDia.
19 (48.26)15610
Over 19 (48.26)25 (63.5)16880When width "W" permits, exhaust ducts should be as near heaviest grinding as possible.
Over 25 (63.5)30 (76.2)171,200
Over 30 (76.2)53 (134.62)261,770
Over 53 (134.62)72 (182.88)486,280

Entry loss = 0.45 velocity pressure for tapered takeoff.

Figure D-57.8 — A Typical Hood for a Belt Operation

Entry loss = 0.45 velocity pressure for tapered takeoff

Belt width W. inches
(centimeters)
Exhaust volume. ft.¹/min
Up to 3 (7.62)220
3 to 5 (7.62 to 12.7)300
5 to 7 (12.7 to 17.78)390
7 to 9 (17.78 to 22.86)500
9 to 11 (22.86 to 27.94)610
11 to 13 (27.94 to 33.02)740

Minimum duct velocity = 4,500 ft/min branch, 3,500 ft/min main.

Entry loss = 0.45 velocity pressure for tapered takeoff; 0.65 velocity pressure for straight takeoff.

Editor's note: The titles for Figures D-57.1, D-57.2, D-57.4, D-57-6, and D-57.7 are in the eCFR but not the CFR. For clarity, the titles are displayed above.
 
(6)
Scope. This paragraph (g), prescribes the use of exhaust hood enclosures and systems in removing dust, dirt, fumes, and gases generated through the grinding, polishing, or buffing of ferrous and nonferrous metals.
 
(h)
Spray finishing operations
 
(1)
Definitions applicable to this paragraph
 
(i)
Spray-finishing operations. Spray-finishing operations are employment of methods wherein organic or inorganic materials are utilized in dispersed form for deposit on surfaces to be coated, treated, or cleaned. Such methods of deposit may involve either automatic, manual, or electrostatic deposition but do not include metal spraying or metallizing, dipping, flow coating, roller coating, tumbling, centrifuging, or spray washing and degreasing as conducted in self-contained washing and degreasing machines or systems.
 
(ii)
Spray booth. Spray booths are defined and described in §1926.66(a). (See sections 103, 104, and 105 of the Standard for Spray Finishing Using Flammable and Combustible Materials, NFPA No. 33-1969).
 
(iii)
Spray room. A spray room is a room in which spray-finishing operations not conducted in a spray booth are performed separately from other areas.
 
(iv)
Minimum maintained velocity. Minimum maintained velocity is the velocity of air movement which must be maintained in order to meet minimum specified requirements for health and safety.
 
(2)
Location and application. Spray booths or spray rooms are to be used to enclose or confine all operations. Spray-finishing operations shall be located as provided in sections 201 through 206 of the Standard for Spray Finishing Using Flammable and Combustible Materials, NFPA No. 33-1969.
 
(3)
Design and construction of spray booths.
 
(i)
Spray booths shall be designed and constructed in accordance with §1926.66(b) (1) through (4) and (6) through (10) (see sections 301-304 and 306-310 of the Standard for Spray Finishing Using Flammable and Combustible Materials, NFPA No. 33-1969), for general construction specifications. For a more detailed discussion of fundamentals relating to this subject, see ANSI Z9.2-1960
 
[A]
Lights, motors, electrical equipment, and other sources of ignition shall conform to the requirements of §1926.66(b)(10) and (c). (See section 310 and chapter 4 of the Standard for Spray Finishing Using Flammable and Combustible Materials NFPA No. 33-1969.)
 
[B]
In no case shall combustible material be used in the construction of a spray booth and supply or exhaust duct connected to it.
 
(ii)
Unobstructed walkways shall not be less than 6½ feet (1.976 m) high and shall be maintained clear of obstruction from any work location in the booth to a booth exit or open booth front. In booths where the open front is the only exit, such exits shall be not less than 3 feet (0.912 m) wide. In booths having multiple exits, such exits shall not be less than 2 feet (0.608 m) wide, provided that the maximum distance from the work location to the exit is 25 feet (7.6 m) or less. Where booth exits are provided with doors, such doors shall open outward from the booth.
 
(iii)
Baffles, distribution plates, and dry-type overspray collectors shall conform to the requirements of §1926.66(b) (4) and (5). (See sections 304 and 305 of the Standard for Spray Finishing Using Flammable and Combustible Materials, NFPA No. 33-1969.)
 
[A]
Overspray filters shall be installed and maintained in accordance with the requirements of §1926.66(b)(5), (see section 305 of the Standard for Spray Finishing Using Flammable and Combustible Materials, NFPA No. 33-1969), and shall only be in a location easily accessible for inspection, cleaning, or replacement.
 
[B]
Where effective means, independent of the overspray filters, are installed which will result in design air distribution across the booth cross section, it is permissible to operate the booth without the filters in place.
 
(iv)
 
[A]
For wet or water-wash spray booths, the water-chamber enclosure, within which intimate contact of contaminated air and cleaning water or other cleaning medium is maintained, if made of steel, shall be 18 gage or heavier and adequately protected against corrosion.
 
[B]
Chambers may include scrubber spray nozzles, headers, troughs, or other devices. Chambers shall be provided with adequate means for creating and maintaining scrubbing action for removal of particulate matter from the exhaust air stream.
 
(v)
Collecting tanks shall be of welded steel construction or other suitable non-combustible material. If pits are used as collecting tanks, they shall be concrete, masonry, or other material having similar properties.
 
[A]
Tanks shall be provided with weirs, skimmer plates, or screens to prevent sludge and floating paint from entering the pump suction box. Means for automatically maintaining the proper water level shall also be provided. Fresh water inlets shall not be submerged. They shall terminate at least one pipe diameter above the safety overflow level of the tank.
 
[B]
Tanks shall be so constructed as to discourage accumulation of hazardous deposits.
 
(vi)
Pump manifolds, risers, and headers shall be adequately sized to insure sufficient water flow to provide efficient operation of the water chamber.
 
(4)
Design and construction of spray rooms.
 
(i)
Spray rooms, including floors, shall be constructed of masonry, concrete, or other noncombustible material.
 
(ii)
Spray rooms shall have noncombustible fire doors and shutters.
 
(iii)
Spray rooms shall be adequately ventilated so that the atmosphere in the breathing zone of the operator shall be maintained in accordance with the requirements of paragraph (h)(6)(ii) of this section.
 
(iv)
Spray rooms used for production spray-finishing operations shall conform to the requirements for spray booths.
 
(5)
Ventilation.
 
(i)
Ventilation shall be provided in accordance with provisions of §1926.66(d) (see chapter 5 of the Standard for Spray Finishing Using Flammable or Combustible Materials, NFPA No. 33- 1969), and in accordance with the following:
 
[A]
Where a fan plenum is used to equalize or control the distribution of exhaust air movement through the booth, it shall be of sufficient strength or rigidity to withstand the differential air pressure or other superficially imposed loads for which the equipment is designed and also to facilitate cleaning. Construction specifications shall be at least equivalent to those of paragraph (h)(5)(iii) of this section.
 
[B]
[Reserved]
 
(ii)
Inlet or supply ductwork used to transport makeup air to spray booths or surrounding areas shall be constructed of noncombustible materials.
 
[A]
If negative pressure exists within inlet ductwork, all seams and joints shall be sealed if there is a possibility of infiltration of harmful quantities of noxious gases, fumes, or mists from areas through which ductwork passes.
 
[B]
Inlet ductwork shall be sized in accordance with volume flow requirements and provide design air requirements at the spray booth.
 
[C]
Inlet ductwork shall be adequately supported throughout its length to sustain at least its own weight plus any negative pressure which is exerted upon it under normal operating conditions.
 
(iii)
[Reserved]
 
[A]
Exhaust ductwork shall be adequately supported throughout its length to sustain its weight plus any normal accumulation in interior during normal operating conditions and any negative pressure exerted upon it.
 
[B]
Exhaust ductwork shall be sized in accordance with good design practice which shall include consideration of fan capacity, length of duct, number of turns and elbows, variation in size, volume, and character of materials being exhausted. See American National Standard Z9.2-1960 for further details and explanation concerning elements of design.
 
[C]
Longitudinal joints in sheet steel ductwork shall be either lock-seamed, riveted, or welded. For other than steel construction, equivalent securing of joints shall be provided.
 
[D]
Circumferential joints in ductwork shall be substantially fastened together and lapped in the direction of airflow. At least every fourth joint shall be provided with connecting flanges, bolted together, or of equivalent fastening security.
 
[E]
Inspection or clean-out doors shall be provided for every 9 to 12 feet (2.736 to 3.648 m) of running length for ducts up to 12 inches (0.304 m) in diameter, but the distance between cleanout doors may be greater for larger pipes. (See 8.3.21 of American National Standard Z9.1-1951.) A clean-out door or doors shall be provided for servicing the fan, and where necessary, a drain shall be provided.
 
[F]
Where ductwork passes through a combustible roof or wall, the roof or wall shall be protected at the point of penetration by open space or fire-resistive material between the duct and the roof or wall. When ducts pass through firewalls, they shall be provided with automatic fire dampers on both sides of the wall, except that three-eighth-inch steel plates may be used in lieu of automatic fire dampers for ducts not exceeding 18 inches (45.72 cm) in diameter.
 
[G]
Ductwork used for ventilating any process covered in this standard shall not be connected to ducts ventilating any other process or any chimney or flue used for conveying any products of combustion.
 
(6)
Velocity and air flow requirements.
 
(i)
Except where a spray booth has an adequate air replacement system, the velocity of air into all openings of a spray booth shall be not less than that specified in Table D-57.7 for the operating conditions specified. An adequate air replacement system is one which introduces replacement air upstream or above the object being sprayed and is so designed that the velocity of air in the booth cross section is not less than that specified in Table D-57.7 when measured upstream or above the object being sprayed.

Table D-57.7 — Minimum Maintained Velocities Into Spray Booths

Operating conditions for objects completely inside boothCrossdraft, f.p.m.Airflow velocities, f.p.m.
DesignRange
Electrostatic and automatic airless operation contained in booth without operatorNegligible50 large booth50-75
100 small booth75-125
Air-operated guns, manual or automaticUp to 50100 large booth75-125
150 small booth125-175
Air-operated guns, manual or automaticUp to 100150 large booth125-175
200 small booth150-250

Notes:

(1)Attention is invited to the fact that the effectiveness of the spray booth is dependent upon the relationship of the depth of the booth to its height and width.
(2)Crossdrafts can be eliminated through proper design and such design should be sought. Crossdrafts in excess of 100fpm (feet per minute) should not be permitted.
(3)Excessive air pressures result in loss of both efficiency and material waste in addition to creating a backlash that may carry overspray and fumes into adjacent work areas.
(4)Booths should be designed with velocities shown in the column headed “Design.” However, booths operating with velocities shown in the column headed “Range” are in compliance with this standard.
 
(ii)
In addition to the requirements in paragraph (h)(6)(i) of this section the total air volume exhausted through a spray booth shall be such as to dilute solvent vapor to at least 25 percent of the lower explosive limit of the solvent being sprayed. An example of the method of calculating this volume is given below.

Example: To determine the lower explosive limits of the most common solvents used in spray finishing, see Table D-57.8. Column 1 gives the number of cubic feet of vapor per gallon of solvent and column 2 gives the lower explosive limit (LEL) in percentage by volume of air. Note that the quantity of solvent will be diminished by the quantity of solids and nonflammables contained in the finish.

To determine the volume of air in cubic feet necessary to dilute the vapor from 1 gallon of solvent to 25 percent of the lower explosive limit, apply the following formula:

Dilution volume required per gallon of solvent = 4 (100-LEL)(cubic feet of vapor per gallon) ÷ LEL

Using toluene as the solvent.

 
(1)
LEL of toluene from Table D-57.8, column 2, is 1.4 percent.
 
(2)
Cubic feet of vapor per gallon from Table D-57.8, column 1, is 30.4 cubic feet per gallon.
 
(3)
Dilution volume required=

4 (100-1.4) 30.4 ÷ 1.4=8,564 cubic feet.

 
(4)
To convert to cubic feet per minute of required ventilation, multiply the dilution volume required per gallon of solvent by the number of gallons of solvent evaporated per minute.

Table D-57.8 — Lower Explosive Limit of Some Commonly Used Solvents

SolventCubic feet per gallon of vapor of liquid at 70 °F (21.11 °C).Lower explosive limit in percent by volume of air at 70 °F (21.11 °C)
Column 1Column 2
Acetone44.02.6
Amyl Acetate (iso)21.6¹1.0
Amyl Alcohol (n)29.61.2
Amyl Alcohol (iso)29.61.2
Benzene36.8¹1.4
Butyl Acetate (n)24.81.7
Butyl Alcohol (n)35.21.4
Butyl Cellosolve24.81.1
Cellosolve33.61.8
Cellosolve Acetate23.21.7
Cyclohexanone31.2¹1.1
1,1 Dichloroethylene42.45.9
1,2 Dichloroethylene42.49.7
Ethyl Acetate32.82.5
Ethyl Alcohol55.24.3
Ethyl Lactate28.0¹1.5
Methyl Acetate40.03.1
Methyl Alcohol80.87.3
Methyl Cellosolve40.82.5
Methyl Ethyl Ketone36.01.8
Methyl n-Propyl Ketone30.41.5
Naphtha (VM&P) (76°Naphtha)22.40.9
Naphtha (100°Flash) Safety Solvent — Stoddard Solvent23.21.0
Propyl Acetate (n)27.22.8
Propyl Acetate (iso)28.01.1
Propyl Alcohol (n)44.82.1
Propyl Alcohol (iso)44.02.0
Toluene30.41.4
Turpentine20.80.8
Xylene (o)26.41.0

¹At 212 °F (100 °C).

 
(iii)
 
[A]
When an operator is in a booth downstream of the object being sprayed, an air-supplied respirator or other type of respirator approved by NIOSH under 42 CFR Part 84 for the material being sprayed should be used by the operator.
 
[B]
Where downdraft booths are provided with doors, such doors shall be closed when spray painting.
 
(7)
Make-up air.
 
(i)
Clean fresh air, free of contamination from adjacent industrial exhaust systems, chimneys, stacks, or vents, shall be supplied to a spray booth or room in quantities equal to the volume of air exhausted through the spray booth.
 
(ii)
Where a spray booth or room receives make-up air through self-closing doors, dampers, or louvers, they shall be fully open at all times when the booth or room is in use for spraying. The velocity of air through such doors, dampers, or louvers shall not exceed 200 feet per minute. If the fan characteristics are such that the required air flow through the booth will be provided, higher velocities through the doors, dampers, or louvers may be used.
 
(iii)
 
[A]
Where the air supply to a spray booth or room is filtered, the fan static pressure shall be calculated on the assumption that the filters are dirty to the extent that they require cleaning or replacement.
 
[B]
The rating of filters shall be governed by test data supplied by the manufacturer of the filter. A pressure gage shall be installed to show the pressure drop across the filters. This gage shall be marked to show the pressure drop at which the filters require cleaning or replacement. Filters shall be replaced or cleaned whenever the pressure drop across them becomes excessive or whenever the air flow through the face of the booth falls below that specified in Table D-57.7.
 
(iv)
 
[A]
Means for heating make-up air to any spray booth or room, before or at the time spraying is normally performed, shall be provided in all places where the outdoor temperature may be expected to remain below 55 °F. (12.77 °C.) for appreciable periods of time during the operation of the booth except where adequate and safe means of radiant heating for all operating personnel affected is provided. The replacement air during the heating seasons shall be maintained at not less than 65 °F. (18.33 °C.) at the point of entry into the spray booth or spray room. When otherwise unheated make-up air would be at a temperature of more than 10 °F. below room temperature, its temperature shall be regulated as provided in section 3.6.3 of ANSI Z9.2-1960.
 
[B]
As an alternative to an air replacement system complying with the preceding section, general heating of the building in which the spray room or booth is located may be employed provided that all occupied parts of the building are maintained at not less than 65 °F. (18.33 °C.) when the exhaust system is in operation or the general heating system supplemented by other sources of heat may be employed to meet this requirement.
 
[C]
No means of heating make-up air shall be located in a spray booth.
 
[D]
Where make-up air is heated by coal or oil, the products of combustion shall not be allowed to mix with the make-up air, and the products of combustion shall be conducted outside the building through a flue terminating at a point remote from all points where make-up air enters the building.
 
[E]
Where make-up air is heated by gas, and the products of combustion are not mixed with the make-up air but are conducted through an independent flue to a point outside the building remote from all points where make-up air enters the building, it is not necessary to comply with paragraph (h)(7)(iv)(F) of this section.
 
[F]
Where make-up air to any manually operated spray booth or room is heated by gas and the products of combustion are allowed to mix with the supply air, the following precautions must be taken:
 
[1]
The gas must have a distinctive and strong enough odor to warn workmen in a spray booth or room of its presence if in an unburned state in the make-up air.
 
[2]
The maximum rate of gas supply to the make-up air heater burners must not exceed that which would yield in excess of 200 p.p.m. (parts per million) of carbon monoxide or 2,000 p.p.m. of total combustible gases in the mixture if the unburned gas upon the occurrence of flame failure were mixed with all of the make-up air supplied.
 
[3]
A fan must be provided to deliver the mixture of heated air and products of combustion from the plenum chamber housing the gas burners to the spray booth or room.
 
(8)
Scope. Spray booths or spray rooms are to be used to enclose or confine all spray finishing operations covered by this paragraph (h). This paragraph does not apply to the spraying of the exteriors of buildings, fixed tanks, or similar structures, nor to small portable spraying apparatus not used repeatedly in the same location.
 
(i)
Open surface tanks
 
(1)
General.
 
(i)
This paragraph applies to all operations involving the immersion of materials in liquids, or in the vapors of such liquids, for the purpose of cleaning or altering the surface or adding to or imparting a finish thereto or changing the character of the materials, and their subsequent removal from the liquid or vapor, draining, and drying. These operations include washing, electroplating, anodizing, pickling, quenching, dying, dipping, tanning, dressing, bleaching, degreasing, alkaline cleaning, stripping, rinsing, digesting, and other similar operations.
 
(ii)
Except where specific construction specifications are prescribed in this section, hoods, ducts, elbows, fans, blowers, and all other exhaust system parts, components, and supports thereof shall be so constructed as to meet conditions of service and to facilitate maintenance and shall conform in construction to the specifications contained in American National Standard Fundamentals Governing the Design and Operation of Local Exhaust Systems, Z9.2-1960.
 
(2)
Classification of open-surface tank operations.
 
(i)
Open-surface tank operations shall be classified into 16 classes, numbered A-1 to D- 4, inclusive.
 
(ii)
Determination of class. Class is determined by two factors, hazard potential designated by a letter from A to D, inclusive, and rate of gas, vapor, or mist evolution designated by a number from 1 to 4, inclusive (for example, B.3).
 
(iii)
Hazard potential is an index, on a scale of from A to D, inclusive, of the severity of the hazard associated with the substance contained in the tank because of the toxic, flammable, or explosive nature of the vapor, gas, or mist produced therefrom. The toxic hazard is determined from the concentration, measured in parts by volume of a gas or vapor, per million parts by volume of contaminated air (p.p.m.), or in milligrams of mist per cubic meter of air (mg./m.³), below which ill effects are unlikely to occur to the exposed worker. The concentrations shall be those in §1926.55 or other pertinent sections of this part.
 
(iv)
The relative fire or explosion hazard is measured in degrees Fahrenheit in terms of the closed-cup flash point of the substance in the tank. Detailed information on the prevention of fire hazards in dip tanks may be found in Dip Tanks Containing Flammable or Combustible Liquids, NFPA No. 34-1966, National Fire Protection Association. Where the tank contains a mixture of liquids, other than organic solvents, whose effects are additive, the hygienic standard of the most toxic component (for example, the one having the lowest p.p.m. or mg./m.³) shall be used, except where such substance constitutes an insignificantly small fraction of the mixture. For mixtures of organic solvents, their combined effect, rather than that of either individually, shall determine the hazard potential. In the absence of information to the contrary, the effects shall be considered as additive. If the sum of the ratios of the airborne concentration of each contaminant to the toxic concentration of that contaminant exceeds unity, the toxic concentration shall be considered to have been exceeded. (See Note A to paragraph (i)(2)(v) of this section.)
 
(v)
Hazard potential shall be determined from Table D-57.9, with the value indicating greater hazard being used. When the hazardous material may be either a vapor with a threshold limit value (TLV) in p.p.m. or a mist with a TLV in mg./m.³, the TLV indicating the greater hazard shall be used (for example, A takes precedence over B or C; B over C; C over D).

Note A:

(c1 ÷ TLV1) + (c2 ÷ TLV2) + (c3 ÷ TLV3) +; . . . (cN ÷ TLVN

Where:

c = Concentration measured at the operation in p.p.m.

Table D-57.9 — Determination of Hazard Potential

Hazard potentialToxicity group
Gas or vapor (p.p.m.)Mist (mg./m³)Flash point in degrees F. (C.)
A0-100-0.1
B11-1000.11-1.0Under 100 (37.77)
C101-5001.1-10100 200
(37.77- 93.33)
DOver 500Over 10Over 200 (93.33)
 
(vi)
Rate of gas, vapor, or mist evolution is a numerical index, on a scale of from 1 to 4, inclusive, both of the relative capacity of the tank to produce gas, vapor, or mist and of the relative energy with which it is projected or carried upwards from the tank. Rate is evaluated in terms of
 
[A]
The temperature of the liquid in the tank in degrees Fahrenheit;
 
[B]
The number of degrees Fahrenheit that this temperature is below the boiling point of the liquid in degrees Fahrenheit;
 
[C]
The relative evaporation of the liquid in still air at room temperature in an arbitrary scale — fast, medium, slow, or nil; and
 
[D]
The extent that the tank gases or produces mist in an arbitrary scale — high, medium, low, and nil. (See Table D-57.10, Note 2.) Gassing depends upon electrochemical or mechanical processes, the effects of which have to be individually evaluated for each installation (see Table D-57.10, Note 3).
 
(vii)
Rate of evolution shall be determined from Table D-57.10. When evaporation and gassing yield different rates, the lowest numerical value shall be used.

Table D-57.10 — Determination of Rate of Gas, Vapor, or Mist Evolution¹

RateLiquid temperature, °F. (C.)Degrees below boiling pointRelative evaporation²Gassing³
1Over 200 (93.33)0-20FastHigh.
2150-200 (65.55- 93.33)21-50MediumMedium.
394-149 (34.44-65)51-100SlowLow.
4Under 94 (34.44)Over 100NilNil.

¹In certain classes of equipment, specifically vapor degreasers, an internal condenser or vapor level thermostat is used to prevent the vapor from leaving the tank during normal operation. In such cases, rate of vapor evolution from the tank into the workroom is not dependent upon the factors listed in the table, but rather upon abnormalities of operating procedure, such as carryout of vapors from excessively fast action, dragout of liquid by entrainment in parts, contamination of solvent by water and other materials, or improper heat balance. When operating procedure is excellent, effective rate of evolution may be taken as 4. When operating procedure is average, the effective rate of evolution may be taken as 3. When operation is poor, a rate of 2 or 1 is indicated, depending upon observed conditions.

²Relative evaporation rate is determined according to the methods described by A. K. Doolittle in Industrial and Engineering Chemistry, vol. 27, p. 1169, (3) where time for 100-percent evaporation is as follows: Fast: 0-3 hours; Medium: 3-12 hours; Slow: 12-50 hours; Nil: more than 50 hours.

³Gassing means the formation by chemical or electrochemical action of minute bubbles of gas under the surface of the liquid in the tank and is generally limited to aqueous solutions.

 
(3)
Ventilation. Where ventilation is used to control potential exposures to workers as defined in paragraph (i)(2)(iii) of this section, it shall be adequate to reduce the concentration of the air contaminant to the degree that a hazard to the worker does not exist. Methods of ventilation are discussed in American National Standard Fundamentals Governing the Design and Operation of Local Exhaust Systems, Z9.2-1960.
 
(4)
Control requirements.
 
(i)
Control velocities shall conform to Table D-57.11 in all cases where the flow of air past the breathing or working zone of the operator and into the hoods is undisturbed by local environmental conditions, such as open windows, wall fans, unit heaters, or moving machinery.
 
(ii)
All tanks exhausted by means of hoods which
 
[A]
Project over the entire tank;
 
[B]
Are fixed in position in such a location that the head of the workman, in all his normal operating positions while working at the tank, is in front of all hood openings; and
 
[C]
Are completely enclosed on at least two sides, shall be considered to be exhausted through an enclosing hood.
 
[D]
The quantity of air in cubic feet per minute necessary to be exhausted through an enclosing hood shall be not less than the product of the control velocity times the net area of all openings in the enclosure through which air can flow into the hood.

Table D-57.11 — Control Velocities in Feet Per Minute (f.p.m.) for Undisturbed Locations

ClassEnclosing hoodLateral exhaust¹Canopy hood²
One open sideTwo open sidesThree open sidesFour open sides
B-1 and A-2100150150Do not useDo not use
A-3², B-1, B-2, and C-175100100125175
A-3, C-2, and D-1³659075100150
B-4², C-3, and D-2³50755075125
A-4, C-4, D-3³, and D-44

¹See Table D-57.12 for computation of ventilation rate.

²Do not use canopy hood for Hazard Potential A processes.

³Where complete control of hot water is desired, design as next highest class.

4General room ventilation required.

 
(iii)
All tanks exhausted by means of hoods which do not project over the entire tank, and in which the direction of air movement into the hood or hoods is substantially horizontal, shall be considered to be laterally exhausted. The quantity of air in cubic feet per minute necessary to be laterally exhausted per square foot of tank area in order to maintain the required control velocity shall be determined from Table D-57.12 for all variations in ratio of tank width (W) to tank length $(L). The total quantity of air in cubic feet per minute required to be exhausted per tank shall be not less than the product of the area of tank surface times the cubic feet per minute per square foot of tank area, determined from Table D-57.12.
 
[A]
For lateral exhaust hoods over 42 inches (1.06 m) wide, or where it is desirable to reduce the amount of air removed from the workroom, air supply slots or orifices shall be provided along the side or the center of the tank opposite from the exhaust slots. The design of such systems shall meet the following criteria:
 
[1]
The supply air volume plus the entrained air shall not exceed 50 percent of the exhaust volume.
 
[2]
The velocity of the supply airstream as it reaches the effective control area of the exhaust slot shall be less than the effective velocity over the exhaust slot area.

Table D-57.12 — Minimum Ventilation Rate in Cubic Feet of Air Per Minute Per Square Foot of Tank Area for Lateral Exhaust

Required
minimum
control
velocity, f.p.m.
(from
Table D-57.11)
C.f.m. per sq. ft. to maintain required minimum
velocities at following ratios
(tank width (W)/tank length (L)).1, 2
0.0-0.090.1-0.240.25-0.490.5-0.991.0-2.0
Hood along one side or two parallel sides of tank when one hood is against a wall or baffle.²
Also for a manifold along tank centerline.³
5050607590100
757590110130150
100100125150175200
150150190225260300
Hood along one side or two parallel sides of free standing tank not against wall or baffle.
507590100110125
75110130150170190
100150175200225250
150225260300340375

¹It is not practicable to ventilate across the long dimension of a tank whose ratio W/L exceeds 2.0.

It is undesirable to do so when W/L exceeds 1.0. For circular tanks with lateral exhaust along up to ½ the circumference, use W/L=1.0; for over one-half the circumference use W/L=0.5.

²Baffle is a vertical plate the same length as the tank, and with the top of the plate as high as the tank is wide. If the exhaust hood is on the side of a tank against a building wall or close to it, it is perfectly baffled.

³Use W/2 as tank width in computing when manifold is along centerline, or when hoods are used on two parallel sides of a tank.

Tank Width (W) means the effective width over which the hood must pull air to operate (for example, where the hood face is set back from the edge of the tank, this set back must be added in measuring tank width). The surface area of tanks can frequently be reduced and better control obtained (particularly on conveyorized systems) by using covers extending from the upper edges of the slots toward the center of the tank.

 
[3]
The vertical height of the receiving exhaust hood, including any baffle, shall not be less than one-quarter the width of the tank.
 
[4]
The supply airstream shall not be allowed to impinge on obstructions between it and the exhaust slot in such a manner as to significantly interfere with the performance of the exhaust hood.
 
[5]
Since most failure of push-pull systems result from excessive supply air volumes and pressures, methods of measuring and adjusting the supply air shall be provided. When satisfactory control has been achieved, the adjustable features of the hood shall be fixed so that they will not be altered.
 
(iv)
All tanks exhausted by means of hoods which project over the entire tank, and which do not conform to the definition of enclosing hoods, shall be considered to be overhead canopy hoods. The quantity of air in cubic feet per minute necessary to be exhausted through a canopy hood shall be not less than the product of the control velocity times the net area of all openings between the bottom edges of the hood and the top edges of the tank.
 
(v)
The rate of vapor evolution (including steam or products of combustion) from the process shall be estimated. If the rate of vapor evolution is equal to or greater than 10 percent of the calculated exhaust volume required, the exhaust volume shall be increased in equal amount.
 
(5)
Spray cleaning and degreasing. Wherever spraying or other mechanical means are used to disperse a liquid above an open-surface tank, control must be provided for the airborne spray. Such operations shall be enclosed as completely as possible. The inward air velocity into the enclosure shall be sufficient to prevent the discharge of spray into the workroom. Mechanical baffles may be used to help prevent the discharge of spray. Spray painting operations are covered by paragraph (h) of this section.
 
(6)
Control means other than ventilation. Tank covers, foams, beads, chips, or other materials floating on the tank surface so as to confine gases, mists, or vapors to the area under the cover or to the foam, bead, or chip layer; or surface tension depressive agents added to the liquid in the tank to minimize mist formation, or any combination thereof, may all be used as gas, mist, or vapor control means for open- surface tank operations, provided that they effectively reduce the concentrations of hazardous materials in the vicinity of the worker below the limits set in accordance with paragraph (i)(2) of this section.
 
(7)
System design.
 
(i)
The equipment for exhausting air shall have sufficient capacity to produce the flow of air required in each of the hoods and openings of the system.
 
(ii)
The capacity required in paragraph (i)(7)(i) of this section shall be obtained when the airflow producing equipment is operating against the following pressure losses, the sum of which is the static pressure:
 
[A]
Entrance losses into the hood.
 
[B]
Resistance to airflow in branch pipe including bends and transformations.
 
[C]
Entrance loss into the main pipe.
 
[D]
Resistance to airflow in main pipe including bends and transformations.
 
[E]
Resistance of mechanical equipment; that is, filters, washers, condensers, absorbers, etc., plus their entrance and exit losses.
 
[F]
Resistance in outlet duct and discharge stack.
 
(iii)
Two or more operations shall not be connected to the same exhaust system where either one or the combination of the substances removed may constitute a fire, explosion, or chemical reaction hazard in the duct system. Traps or other devices shall be provided to insure that condensate in ducts does not drain back into any tank.
 
(iv)
The exhaust system, consisting of hoods, ducts, air mover, and discharge outlet, shall be designed in accordance with American National Standard Fundamentals Governing the Design and Operation of Local Exhaust Systems, Z9.2-1960, or the manual, Industrial Ventilation, published by the American Conference of Governmental Industrial Hygienists 1970. Airflow and pressure loss data provided by the manufacturer of any air cleaning device shall be included in the design calculations.
 
(8)
Operation.
 
(i)
The required airflow shall be maintained at all times during which gas, mist, or vapor is emitted from the tank, and at all times the tank, the draining, or the drying area is in operation or use. When the system is first installed, the airflow from each hood shall be measured by means of a pitot traverse in the exhaust duct and corrective action taken if the flow is less than that required. When the proper flow is obtained, the hood static pressure shall be measured and recorded. At intervals of not more than 3 months operation, or after a prolonged shutdown period, the hoods and duct system shall be inspected for evidence of corrosion or damage. In any case where the airflow is found to be less than required, it shall be increased to the required value. (Information on airflow and static pressure measurement and calculations may be found in American National Standard Fundamental Governing the Design and Operation of Local Exhaust Systems, Z9.2-1960, or in the manual, Industrial Ventilation, published by the American Conference of Governmental Industrial Hygienists.)
 
(ii)
The exhaust system shall discharge to the outer air in such a manner that the possibility of its effluent entering any building is at a minimum. Recirculation shall only be through a device for contaminant removal which will prevent the creation of a health hazard in the room or area to which the air is recirculated.
 
(iii)
A volume of outside air in the range of 90 percent to 110 percent of the exhaust volume shall be provided to each room having exhaust hoods. The outside air supply shall enter the workroom in such a manner as not to be detrimental to any exhaust hood. The airflow of the makeup air system shall be measured on installation. Corrective action shall be taken when the airflow is below that required. The makeup air shall be uncontaminated.
 
(9)
Personal protection.
 
(i)
All employees working in and around open-surface tank operations must be instructed as to the hazards of their respective jobs, and in the personal protection and first aid procedures applicable to these hazards.
 
(ii)
All persons required to work in such a manner that their feet may become wet shall be provided with rubber or other impervious boots or shoes, rubbers, or wooden-soled shoes sufficient to keep feet dry.
 
(iii)
All persons required to handle work wet with a liquid other than water shall be provided with gloves impervious to such a liquid and of a length sufficient to prevent entrance of liquid into the tops of the gloves. The interior of gloves shall be kept free from corrosive or irritating contaminants.
 
(iv)
All persons required to work in such a manner that their clothing may become wet shall be provided with such aprons, coats, jackets, sleeves, or other garments made of rubber, or of other materials impervious to liquids other than water, as are required to keep their clothing dry. Aprons shall extend well below the top of boots to prevent liquid splashing into the boots. Provision of dry, clean, cotton clothing along with rubber shoes or short boots and an apron impervious to liquids other than water shall be considered a satisfactory substitute where small parts are cleaned, plated, or acid dipped in open tanks and rapid work is required.
 
(v)
Whenever there is a danger of splashing, for example, when additions are made manually to the tanks, or when acids and chemicals are removed from the tanks, the employees so engaged shall be required to wear either tight-fitting chemical goggles or an effective face shield. See §1926.102.
 
(vi)
When, during the emergencies specified in paragraph (i)(11)(v) of this section, employees must be in areas where concentrations of air contaminants are greater than the limits set by paragraph (i)(2)(iii) of this section or oxygen concentrations are less than 19.5 percent, they must use respirators that reduce their exposure to a level below these limits or that provide adequate oxygen. Such respirators must also be provided in marked, quickly-accessible storage compartments built for this purpose when the possibility exists of accidental release of hazardous concentrations of air contaminants. Respirators must be approved by NIOSH under 42 CFR part 84, selected by a competent industrial hygienist or other technically-qualified source, and used in accordance with 29 CFR 1926.103.
 
(vii)
Near each tank containing a liquid which may burn, irritate, or otherwise be harmful to the skin if splashed upon the worker's body, there shall be a supply of clean cold water. The water pipe (carrying a pressure not exceeding 25 pounds (11.325 kg)) shall be provided with a quick opening valve and at least 48 inches (1.216 m) of hose not smaller than three-fourths inch, so that no time may be lost in washing off liquids from the skin or clothing. Alternatively, deluge showers and eye flushes shall be provided in cases where harmful chemicals may be splashed on parts of the body.
 
(viii)
Operators with sores, burns, or other skin lesions requiring medical treatment shall not be allowed to work at their regular operations until so authorized by a physician. Any small skin abrasions, cuts, rash, or open sores which are found or reported shall be treated by a properly designated person so that chances of exposures to the chemicals are removed. Workers exposed to chromic acids shall have a periodic examination made of the nostrils and other parts of the body, to detect incipient ulceration.
 
(ix)
Sufficient washing facilities, including soap, individual towels, and hot water, shall be provided for all persons required to use or handle any liquids which may burn, irritate, or otherwise be harmful to the skin, on the basis of at least one basin (or its equivalent) with a hot water faucet for every 10 employees. See §1926.51(f).
 
(x)
Locker space or equivalent clothing storage facilities shall be provided to prevent contamination of street clothing.
 
(xi)
First aid facilities specific to the hazards of the operations conducted shall be readily available.
 
(10)
Special precautions for cyanide. Dikes or other arrangements shall be provided to prevent the possibility of intermixing of cyanide and acid in the event of tank rupture.
 
(11)
Inspection, maintenance, and installation.
 
(i)
Floors and platforms around tanks shall be prevented from becoming slippery both by original type of construction and by frequent flushing. They shall be firm, sound, and of the design and construction to minimize the possibility of tripping.
 
(ii)
Before cleaning the interior of any tank, the contents shall be drained off, and the cleanout doors shall be opened where provided. All pockets in tanks or pits, where it is possible for hazardous vapors to collect, shall be ventilated and cleared of such vapors.
 
(iii)
Tanks which have been drained to permit employees to enter for the purposes of cleaning, inspection, or maintenance may contain atmospheres which are hazardous to life or health, through the presence of flammable or toxic air contaminants, or through the absence of sufficient oxygen. Before employees shall be permitted to enter any such tank, appropriate tests of the atmosphere shall be made to determine if the limits set by paragraph (i)(2)(iii) of this section are exceeded, or if the oxygen concentration is less than 19.5 percent.
 
(iv)
If the tests made in accordance with paragraph (i)(11)(iii) of this section indicate that the atmosphere in the tank is unsafe, before any employee is permitted to enter the tank, the tank shall be ventilated until the hazardous atmosphere is removed, and ventilation shall be continued so as to prevent the occurrence of a hazardous atmosphere as long as an employee is in the tank.
 
(v)
If, in emergencies, such as rescue work, it is necessary to enter a tank which may contain a hazardous atmosphere, suitable respirators, such as self-contained breathing apparatus; hose mask with blower, if there is a possibility of oxygen deficiency; or a gas mask, selected and operated in accordance with paragraph (i)(9)(vi) of this section, shall be used. If a contaminant in the tank can cause dermatitis, or be absorbed through the skin, the employee entering the tank shall also wear protective clothing. At least one trained standby employee, with suitable respirator, shall be present in the nearest uncontaminated area. The standby employee must be able to communicate with the employee in the tank and be able to haul him out of the tank with a lifeline if necessary.
 
(vi)
Maintenance work requiring welding or open flame, where toxic metal fumes such as cadmium, chromium, or lead may be evolved, shall be done only with sufficient local exhaust ventilation to prevent the creation of a health hazard, or be done with respirators selected and used in accordance with paragraph (i)(9)(vi) of this section. Welding, or the use of open flames near any solvent cleaning equipment shall be permitted only after such equipment has first been thoroughly cleared of solvents and vapors.
 
(12)
Vapor degreasing tanks.
 
(i)
In any vapor degreasing tank equipped with a condenser or vapor level thermostat, the condenser or thermostat shall keep the level of vapors below the top edge of the tank by a distance at least equal to one-half the tank width, or at least 36 inches (0.912 m), whichever is shorter.
 
(ii)
Where gas is used as a fuel for heating vapor degreasing tanks, the combustion chamber shall be of tight construction, except for such openings as the exhaust flue, and those that are necessary for supplying air for combustion. Flues shall be of corrosion-resistant construction and shall extend to the outer air. If mechanical exhaust is used on this flue, a draft diverter shall be used. Special precautions must be taken to prevent solvent fumes from entering the combustion air of this or any other heater when chlorinated or fluorinated hydrocarbon solvents (for example, trichloroethylene, Freon) are used.
 
(iii)
Heating elements shall be so designed and maintained that their surface temperature will not cause the solvent or mixture to decompose, break down, or be converted into an excessive quantity of vapor.
 
(iv)
Tanks or machines of more than 4 square feet (0.368 m²) of vapor area, used for solvent cleaning or vapor degreasing, shall be equipped with suitable cleanout or sludge doors located near the bottom of each tank or still. These doors shall be so designed and gasketed that there will be no leakage of solvent when they are closed.
 
(13)
Scope.
 
(i)
This paragraph (i) applies to all operations involving the immersion of materials in liquids, or in the vapors of such liquids, for the purpose of cleaning or altering their surfaces, or adding or imparting a finish thereto, or changing the character of the materials, and their subsequent removal from the liquids or vapors, draining, and drying. Such operations include washing, electroplating, anodizing, pickling, quenching, dyeing, dipping, tanning, dressing, bleaching, degreasing, alkaline cleaning, stripping, rinsing, digesting, and other similar operations, but do not include molten materials handling operations, or surface coating operations.
 
(ii)
Molten materials handling operations means all operations, other than welding, burning, and soldering operations, involving the use, melting, smelting, or pouring of metals, alloys, salts, or other similar substances in the molten state. Such operations also include heat treating baths, descaling baths, die casting stereotyping, galvanizing, tinning, and similar operations.
 
(iii)
Surface coating operations means all operations involving the application of protective, decorative, adhesive, or strengthening coating or impregnation to one or more surfaces, or into the interstices of any object or material, by means of spraying, spreading, flowing, brushing, roll coating, pouring, cementing, or similar means; and any subsequent draining or drying operations, excluding open-tank operations.

[44 FR 8577, Feb. 9, 1979; 44 FR 20940, Apr. 6, 1979, as amended at 58 FR 35099, June 30, 1993; 61 FR 9250, Mar. 3, 1996; 63 FR 1295, Jan. 8, 1998]

   Reason: